Oscilloscope Based Software

MIPI-UFS/UniPRO/LLI Protocol Decode Software

Model No: PGY-UPRO/LLI/UFS

MIPI LLI Protocol Decode Software offers protocol decoding as specified in the MIPI LLI specification. PGY-MIPI LLI Protocol decode software runs in Tektronix Oscilloscope and provides measurements for protocol decode at the click of a button. This allows engineers to quickly check for MIPI LLI compliance and flexibility to debug the failure. In addition to this, engineers can decode the command and response of MIPI LLI to debug the communication. PGY-MIPI LLI takes advantage of the digital channels of MSO and provides the decoding of MIPI LLI data lines.

The PGY-UPRO/LLI/UFS Protocol Decode Software offers extensive protocol decoding for MIPI-MPHY-UniPRO, LLI, and UFS protocol standards. This software offers Real-time hardware-based UniPRO/UFS Protocol aware triggers for PWM, NRZ, and 8B/10B data types. Now design and test engineers can automatically make accurate and reliable decode of multi-lane UniPRO/LLI/UFS using PGY-UPro/LLI/UFS software using data acquired by Tektronix, DPO/DSA/MSO70000 oscilloscope series to reduce the development and test cycle.

Key Protocols
  • I2C
  • Free Online Technical Support Free Online Technical Support
  • Free Software Updates Free Software Updates
  • Global Sales Support Global Sales Support
  • Evaluation Units Available Evaluation Units Available
  • Key Features
  • Specifications
  • UniPro and LLI Protocol Decoder enable faster system level protocol debugging
  • Conforms to UniPro Protocol Specification version 1.6and LLI Protocol version 1.0
  • Conforms to UFS Protocol Specification Version 2.0
  • Supports NRZ (Non-Return-to-Zero) and PWM (Pulse Width Modulation) signaling schemes
  • Configurable four-lane simultaneous protocol decode helps to correlate the lane to lane events
  • Autolink of decoded data from list table to oscilloscope waveform for easy protocol debug at PHY layer
  • Powerful UniPRO/LLI Protocol aware trigger features using Option ST6G serial trigger feature of oscilloscopes
  • Triggering supports PWM, NRZ and 8b/10B encoded data schemes
  • Detail view provides a comprehensive protocol and physical layer data correlation
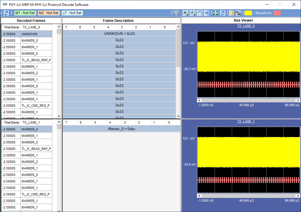
  • Frame listing and frame description provide comprehensive protocol layer information
  • Each frame is displayed in detail as per UniPro and LLI Standard specification document
  • Automated CRC computation to monitor CRC errors in the protocol packet
  • Markers enable time measurement between messages in different lanes
  • The software automatically identifies the signaling scheme and gear for hassle-free protocol analysis
  • Bus diagram functions such as zoom, un-zoom, pan, fit to screen, and synchronize functions enable easy data analysis
  • Supports oscilloscope live channels, Tektronix .wfm waveform files
  • Generates comprehensive and customizable reports
  • Ability to export the protocol details to txt and CSV file formats
Read More...

The PGY-UPRO/LLI/UFS Protocol Decode Software offers extensive protocol decoding for MIPI-MPHY-UniPRO, LLI, and UFS protocol standards. This software offers Real-time hardware-based UniPRO/UFS Protocol aware triggers for PWM, NRZ, and 8B/10B data types. Now design and test engineers can automatically make accurate and reliable decode of multi-lane UniPRO/LLI/UFS using PGY-UPro/LLI/UFS software using data acquired by Tektronix, DPO/DSA/MSO70000 oscilloscope series to reduce the development and test cycle.

Seamless Integration with Tektronix Oscilloscope

PGY-UPRO/LLI/UFS runs inside the Tektronix oscilloscopes and decodes protocols and displays the decoded data of multiple lanes. This software links the decoded data to the electrical signal in the oscilloscope display. UniPRO/LLI Protocol-based trigger can be set up using the built-in high-speed serial trigger capabilities in Tektronix oscilloscopes.

UniPRO Protocol Aware Trigger

PGY-UPRO/LLI/UFS software provides protocol aware trigger conditions such as link start-up sequence, PHY adapter layer content and data link layer content. The unique capabilities in this software allow trigger data types such as PWM, NRZ or 8B/10B serial data of the protocol. PGY-UPRO supports the following Protocol Aware Trigger capabilities.

Trigger EventTrigger Content
Link Startup Sequence (LSS)Trigger on LSS Phase 1 (TRG_UPR_0)
Trigger on LSS Phase 2 (TRG_UPR_1)
Trigger on LSS Phase 3 (TRG_UPR_2)
PHY Adapter layer ContentPACP_PWR_req
PACP_PWR_cnf
PACP_cap_ind
PACP_EPR_ind
PACP_TEST_MODE_req
PACP_GET_req
PACP_GET_cnf
PACP_SET_req
PACP_SET_cnf
PACP_Test_Data
Data Link layer ContentData_SOF
Data_COF
AFC (Acknowledgement)
NAC (No Acknowledgement)

Similar Products